(康龍溫控)2010-05大菠萝官网福建2024中文說明
時間:2010-09-03 瀏覽量:645684 來源:菠萝福利导航" target="_blank">菠萝福利导航 編輯:admin
目 錄
一、安裝要求……………………………………………………………………………………………………..1
二、開機準備……………………………………………………………………………………………………..1
三、操作順序……………………………………………………………………………………………………..2
四、麵板示意圖及操作說明…………………………………………………………………………………….2
五、修改參數操作說明………………………………………………………………………………………...3
六、參數設置表…………………………………………………………………………………………………..5
七、故障代碼說明………………………………………………………………………………………………..6
八、操作注意事項………………………………………………………………………………………………..6
九、維護與保養…………………………………………………………………………………………………..8
十、故障排除方法………………………………………………………………………………………………..9
十一、電器連接示意圖…………………………………………………………………………………………10
十二、風冷式冷凍機內部結構示圖…………………………………… ……………………………………11
十三、水冷式冷凍機內部結構示意圖………………………………… …………………………………..12
十四、風冷式大菠萝官网福建2024安裝示意圖……………………………………………………………………………13
十五、水冷式大菠萝官网福建2024安裝示意圖……………………………………………………………………………14
感謝您選用了“菠萝福利导航”冷凍機,為了您能正確高效的使用,請詳細閱讀說明書。
一、安裝要求:
1、冷凍機安裝前請選擇地基平穩,四周空曠,暢通及避免腐蝕、汙染、日曬、雨淋,方便安裝維修之場所;
2、根據冷凍機製冷量選用匹配的冷卻水塔。大菠萝官网福建2024管路配管,請根據機身喉尺寸進行安裝,切勿將冷卻水管尺寸縮小,這樣會引起高壓超載,影響製冷效果及增加耗電量;
3、風冷式冷凍機請必須安裝在距離牆壁一米以上空間位置,以免造成散熱不良引起高壓超載影響製冷效果及增加耗電量。
注:(1)電源負載及接地部分,請依照相關法規施工!
(2)新安裝的冷凍機冷凍水管必須包保溫層!
二、開機準備
首次運轉冷凍機必須先檢查下列事項是否正確:
1、電源電壓及相數是否符合型號規格,請對照銘牌所示。[注3HP以上冷凍機
電源是采用三相五線,電壓380~415V/50HZ電源相位線分別為R、S、T,中性線(零線)N,接地導線為雙色線用E表示;機內設有錯缺相保護器,當在第一次開機時出現不亮燈或亮紅燈並顯示故障代碼及警號時,可將相線任意兩相對換接妥後合上開關即可;3HP以下冷凍機采用單相電源,電壓220-240V/50HZ電源相位線為L,中線為N,地線為E。]
2、冷凍水喉及冷卻循環水喉是否接通管路,並保持閥門打開;(請參考安裝示意圖)
3、先將冷凍水箱加滿水或其它冷凍介質後方可啟動水泵;(注:請根據要求來配用冷凍介質)
4、請留意冷卻水泵運行方向及水塔風機是否逆轉(如水泵是三相,逆轉須將電源相位線中任意二相對換,接妥後再把開關合上即可)。
三、操作順序
1、首先將總電源開關開啟ON位置;
2、開啟冷卻水塔和冷卻水泵開關,此時注意冷卻水出入口閥門必須打開(注:風冷式冷凍機無須配備冷卻水塔)。
3、再開啟冷凍機啟停開關,此時冷凍水泵開始運行,請注意冷凍水出入口閥門必須打開,經延時開關延時後壓縮機會自動運行,請查視及調節所需溫度。
4、關機時,請依相反的順序操作關機即可。
四、麵板示意圖及操作說明 
1、開機:
①打開冷凍機電箱內的空氣開關;
②按“ON/OFF”啟停鍵,開啟冷凍機,此時冷凍水泵啟,風機啟動(風冷式),壓縮機延時啟動。
③開機狀態下,水泵運行;開機狀態下,當測量溫度≥溫度設定值+溫度回差時,係統進入製冷模式並開啟壓縮機製冷。當測量溫度≤溫度設定值時,係統返回待機狀態並關閉壓縮機。
2、設定溫度調節:PV區為實際溫度顯示,SV區為設定溫度顯示。如:開機後SV窗口內設定溫度需要調整時按以下順序:
按加減鍵進入設定溫度設定,設置完成後按開機鍵退出。
長按設定鍵“SET”3秒進入回差溫度設定,使用設置鍵選擇需要修改的參數,然後使用加減鍵調節對應參數的大小,設置完成後按開機鍵退出。
3、關機:按“ON/OFF” 啟停鍵關閉機器。如長時間不使用時,請關閉冷凍機電源並排掉水箱內或殼管式蒸發器內的冷凍介質。
五、修改參數操作說明(在正常情況下無需操作此項)
1、設定溫度調節:PV區為實際溫度顯示,SV區為設定溫度顯示。如:開機後SV窗口內設定溫度需要調整時按以下順序:
按加減鍵進入設定溫度設定,設置完成後按開機鍵退出。
長按“SET” 設定鍵3秒進入回差溫度設定,使用設置鍵選擇需要修改的參數,然後使用加減鍵調節對應參數的大小,設置完成後按開機鍵退出。
2、若出現故障現象,“PV”區顯示故障代碼,按“ON/OFF”啟停鍵停機,故障排除後,再按一下“ON/OFF”啟停鍵後恢複正常運行。
3、“POWER”:電源指示燈;
“COMP”:壓縮機運行狀態;
“PUMP”:水泵運行狀態;
“ERROR”:故障指示燈;
“ON/OFF”:機組啟停鍵;
“RUN”:機組運行狀態;
六、參數設置
廠家參數設定:在上電後20秒內同時長按加減鍵3秒後進入廠家參數設置。使用設置鍵選擇需要修改的參數,然後使用加減鍵調節對應參數,設置完成之後按開機鍵退出(設置的參數參考下表)。
|
代號 |
意義 |
設置範圍 |
默認值 |
|
用戶參數菜單 |
|||
|
|
溫度設定值 |
-30℃~90℃ |
20℃ |
|
F01 |
回差設定值 |
0.1℃~10.0℃ |
3℃ |
|
管理者參數菜單 |
|||
|
F02 |
溫度校正 |
-10℃~10℃ |
0℃ |
|
F03 |
溫度設定值下限 |
-20℃~10℃ |
|
|
F04 |
壓縮機起動延時 |
1~20分鍾 |
3分鍾 |
|
F05 |
E3壓縮機高壓保護延時 |
0~180秒 |
60秒 |
|
F06 |
E4壓縮機低壓保護延時 |
0~180秒 |
60秒 |
|
F07 |
E5保護延時 |
0~180秒 |
60秒 |
|
F08 |
E6保護延時 |
0~180秒 |
60秒 |
|
F09 |
E7內置相序保護使能 |
000不使能 001使能 |
000不使能 |
|
F10 |
E2壓縮機過載輸入類型 |
ON常閉 OFF常開 |
OFF常開 |
|
F11 |
E3壓縮機高壓輸入類型 |
ON常閉OFF常開 |
OFF常開 |
|
F12 |
E4壓縮機低壓輸入類型 |
ON常閉OFF常開 |
OFF常開 |
|
F13 |
E5 保護輸入類型 |
ON常閉OFF常開 |
OFF常開 |
|
F14 |
E6自定義保護輸入類型 |
ON常閉OFF常開 |
OFF常開 |
|
F15 |
曆史故障查詢 |
查詢0~99小時內出現的故障,P.00表示當前的1小時出現的故障;P.01表示前一個小時內出現的故障。 |
--- |
七、故障代碼說明
| 故障代號 |
意義 |
報警方式 |
處理方法 |
消除方式 |
報警有效時間 |
|
E1 |
探頭故障 |
數碼管顯示“E1” |
關閉壓縮機和水泵 |
自動恢複 |
任何時候 |
|
E2 |
壓縮機過載故障 |
數碼管顯示“E2” |
關閉壓縮機 |
手動清除 |
壓縮機開啟後 |
|
E3 |
壓縮機高壓故障 |
數碼管顯示“E3” |
關閉壓縮機 |
手動清除 |
壓縮機開啟後 |
|
E4 |
壓縮機低壓故障 |
數碼管顯示“E4” |
關閉壓縮機 |
手動清除 |
壓縮機開啟後 |
|
E5 |
逆相故障 |
數碼管顯示“E5” |
關閉壓縮機和水泵 |
手動恢複 |
係統開機後 |
|
E6 |
水位故障 |
數碼管顯示“E6” |
關閉壓縮機和水泵 |
手動恢複 |
係統開機後 |
八、操作注意事項
1、冷凍水泵不可在水箱內無水的情況下運轉;(7.5HP以上機型,水箱內裝有水位保護,當水位太低時或水箱內無水時,水泵會自動停止運行,並顯示水位故障代碼及警號。)
2、操作開關請盡量避免連續切換;
3、冷凍水溫度達到設定溫度時,壓縮機會自動停止運行,此屬正常現象;
4、溫度開關應避免設定在5℃以下,防止蒸發器結冰;(低溫冷凍機除外)
5、為確保製冷效果,保持最佳狀態,請定期清洗冷凝器、蒸發器及水過濾器。
注:如出現故障報警請立即關機,按第七項和第十項所列方法排出故障後方可開機。或及時通知維修人員處理。
附注(一):
散熱不良及處理方法
當冷凝器散熱不良時,壓縮機效率低,運轉電流提高,當風冷式高壓壓力升至24kg/cm2 ,水冷式高壓壓力升至20kg/cm2,壓縮機受高壓開關保護跳脫,壓縮機停止運轉,散熱不良高壓超載並顯示故障代碼或故障指示,此時請檢視冷卻塔循環水是否正常,冷卻水溫是否過高,冷卻塔風扇、水泵是否運轉,冷卻水閥門是否完全打開(風冷式請檢查散熱器是否髒堵),以上正常後關機重啟即可正常運轉。如經常出現高壓超載情況,請盡快安排清洗冷凝器。
附注(二)
冷媒不足低壓處理方法:
1、當水溫在5℃以上時,低壓表壓力顯示低於2k g/cm2時,即表示冷媒不足,先將漏冷媒的地方進行補漏處理再更換幹燥過濾器重新抽真空,充適當冷媒。
2、當發現漏冷媒部分浸於水中,請立即停止冷凍機運行,速將水箱內水排除掉,盡快通知公司派人員處理維修,以免壓縮機將水吸入係統中造成更嚴重損壞。
附注(三)
高低壓是否正常
水冷式壓縮機正常運行時高壓壓力顯示12.5~15k g/cm2為最佳,(風冷式14~17k g/cm2為最佳)但不得高於19.5k g/cm2,當水冷式壓力高於19.5kg/cm2,風冷式壓力高於24k g/cm2時,高壓開關跳脫請依附注(一)處理,低壓以3.1~4.5k g/cm2為最佳,但不得低於2k g/cm2,低於2k g/cm2低壓跳脫請依附注(二)處理。
當壓縮機運行時高壓和低壓兩者壓差極少或相等時,即表示壓縮機本身閥片破損和斷裂,請立即停止運轉並通知公司派人處理。請注意以上狀況是當壓縮機運行時,如沒有運行高低壓平衡仍屬正常狀況。
附注(四):
當故障指示燈及保護開關全部正常時,壓縮機不能啟動,請檢查:
1、溫度開關是否調得太高,或損壞;
2、切換開關是否損壞;
3、防凍開關是否損壞;
4、壓力開關是否跳脫或損壞;
5、壓縮機超載保護器是否損壞或跳脫;
6、電磁繼電器線圈是否損壞及超載保護器是否損壞;
7、水箱內是否液位過低;
8、請檢查冷凍水水流量開關是否損壞;
注:以上控製開關或線路有故障即壓縮機就不能運轉。
九、維護與保養
1、定期清洗冷凝器、蒸發器,使整機保持良好運轉;
2、保持冷卻塔清潔幹淨,定期清洗,冷卻塔內不得有雜物及其它障礙物;
3、風冷式冷凍機請保持散熱器表麵清潔幹淨,並定期清洗,使機器保持良好的性能。
十、故障排除方法:
| 狀 態 |
原 因 |
故障排除 |
|
電源正常 |
①保險絲熔斷 ②逆向繼電器故障 |
①更換備用保險絲 ②更換逆向繼電器 |
|
電源開關跳脫 |
①電源負載線路接地或短路 |
①換新處理 ②檢查後,如確定故障,更換或修理 |
|
逆相 |
①泵浦、壓縮機及風扇逆轉 ②缺相 |
①將電源相線中任意兩相調換 |
|
散熱不良 |
①高壓開關跳脫 |
①清潔冷凝器,空氣保持40℃以下,請依照附注〈一〉處理 |
|
冷媒不足 |
①冷媒不足低壓跳脫 |
①依附注﹤二﹥處理 |
|
超載 |
①電壓異常; |
①三相電源壓降或電壓不穩及缺相,請調整電壓及查缺相原因; |
|
故障指示未亮但壓縮機無法運轉 |
保護裝置跳脫 |
請依附注四處理 |
|
冰水槽水不冷 |
①容量不足; |
①加大主機容量; |
|
缺水 |
①水箱內水量不足; |
①往水箱裏加水; |
十一、電器連接示意圖
十二、風冷式冷凍機內部結構示圖

|
1.壓縮機 |
7.毛細管(膨脹閥) |
|
2.高壓表 |
8.蒸發器 |
|
3.高壓保護器 |
9.水泵 |
|
4.冷凝器 |
10.低壓表 |
|
5.冷卻風機 |
11.低壓保護器 |
|
6.幹燥過慮器 |
12.水路閥門開關 |
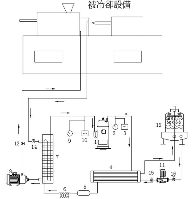
十三、水冷式冷凍機內部結構示意圖

|
1.壓縮機 |
8.冷凍水泵 |
|
2.高壓表 |
9.低壓表 |
|
3.高壓保護器 |
10.低壓保護器 |
|
4.冷凝器 |
11.冷卻水泵 |
|
5.幹燥過慮器 |
12.冷卻水塔 |
|
6.毛細管(膨脹閥) |
13、水路閥門開關 |
|
7.蒸發器 |
|
十四、風冷式大菠萝官网福建2024安裝示意圖
十五、水冷式大菠萝官网福建2024安裝示意圖


