(傑科溫控)2010-07大菠萝官网福建2024中文說明書
時間:2010-09-02 瀏覽量:652550 來源:菠萝福利导航" target="_blank">菠萝福利导航 編輯:admin
目 錄
一、安裝要求……………………………………………………………………………………………………..1
二、開機準備……………………………………………………………………………………………………..1
三、操作順序……………………………………………………………………………………………………..2
四、麵板示意圖及操作說明…………………………………………………………………………………….2
五、修改參數操作說明………………………………………………………………………………………...3
六、參數設置表…………………………………………………………………………………………………..5
七、故障代碼說明………………………………………………………………………………………………..6
八、操作注意事項………………………………………………………………………………………………..6
九、維護與保養…………………………………………………………………………………………………..8
十、故障排除方法………………………………………………………………………………………………..9
十一、電器連接示意圖…………………………………………………………………………………………10
十二、風冷式冷凍機內部結構示圖…………………………………… ……………………………………11
十三、水冷式冷凍機內部結構示意圖………………………………… …………………………………..12
十四、風冷式大菠萝官网福建2024安裝示意圖……………………………………………………………………………13
十五、水冷式大菠萝官网福建2024安裝示意圖……………………………………………………………………………14
感謝您選用了“菠萝福利导航”冷凍機,為了您能正確高效的使用,請詳細閱讀說明書。
一、安裝要求:
1、冷凍機安裝前請選擇地基平穩,四周空曠,暢通及避免腐蝕、汙染、日曬、雨淋,方便安裝維修之場所;
2、根據冷凍機製冷量選用匹配的冷卻水塔。大菠萝官网福建2024管路配管,請根據機身喉尺寸進行安裝,切勿將冷卻水管尺寸縮小,這樣會引起高壓超載,影響製冷效果及增加耗電量;
3、風冷式冷凍機請必須安裝在距離牆壁一米以上空間位置,以免造成散熱不良引起高壓超載影響製冷效果及增加耗電量。
注:(1)電源負載及接地部分,請依照相關法規施工!
(2)新安裝的冷凍機冷凍水管必須包保溫層!
二、開機準備
首次運轉冷凍機必須先檢查下列事項是否正確:
1、電源電壓及相數是否符合型號規格,請對照銘牌所示。[注3HP以上冷凍機
電源是采用三相五線,電壓380~415V/50HZ電源相位線分別為R、S、T,中性線(零線)N,接地導線為雙色線用E表示;機內設有錯缺相保護器,當在第一次開機時出現不亮燈或亮紅燈並顯示故障代碼及警號時,可將相線任意兩相對換接妥後合上開關即可;3HP以下冷凍機采用單相電源,電壓220-240V/50HZ電源相位線為L,中線為N,地線為E。]
2、冷凍水喉及冷卻循環水喉是否接通管路,並保持閥門打開;(請參考安裝示意圖)
3、先將冷凍水箱加滿水或其它冷凍介質後方可啟動水泵;(注:請根據要求來配用冷凍介質)
4、請留意冷卻水泵運行方向及水塔風機是否逆轉(如水泵是三相,逆轉須將電源相位線中任意二相對換,接妥後再把開關合上即可)。
三、操作順序
1、首先將總電源開關開啟ON位置;
2、開啟冷卻水塔和冷卻水泵開關,此時注意冷卻水出入口閥門必須打開(注:風冷式冷凍機無須配備冷卻水塔)。
3、再開啟冷凍機運行開關,此時冷凍水泵開始運行,請注意冷凍水出入口閥門必須打開,經延時開關延時後壓縮機會自動運行,請查視及調節所需溫度。
4、關機時,請依相反的順序操作關機即可。
四、麵板示意圖及操作說明 
1、開機:
①打開冷凍機電箱內的空氣開關;
②按“PUMP”啟動鍵,開啟冷凍機,此時冷凍水泵啟動;
③按“COMP1”壓縮機1鍵、“COMP2” 壓縮機2鍵開啟壓縮機(如:隻有一台壓縮機時,按“COMP2” 壓縮機2鍵無效。)延時後起動壓縮機,左上角壓縮機運行指示燈綠燈亮起。同時冷卻風機運轉,(水冷式冷凍機的冷卻水塔和冷卻水泵在外部控製需預先起動)冷凍機進入運行狀態。
2、設定溫度調節:PV區為實際溫度顯示,SV區為設定溫度顯示。如:開機後SV窗口內設定溫度需要調整時按以下順序:
① 按“SET” 設定鍵,此時SV窗口內數字閃爍,此時進入設定狀態;
②按調整鍵“UP”、“DOWN”調整到所需要的溫度後按“SET”設定鍵確認即可。
3、關機:按“STOP” 停止鍵關閉機器。如長時間不使用時,請關閉冷凍機電源並排掉水箱內或殼管式蒸發器內的冷凍介質。
注:能量調節:
①隻有1個壓縮機時:在升溫過程中,當顯示溫度≥設定溫度+溫差時自動啟動壓縮機;在降溫過程中,當顯示溫度<設定溫度+溫差時自動停止壓縮機。
②有2個壓縮機時:在升溫過程中,當顯示溫度>設定溫度時自動啟動1台壓縮機,當顯示溫度≥設定溫度+溫差時自動啟動2台壓縮機,在降溫過程中,當顯示溫度<設定溫度時,自動停止一台,當顯示溫度<設定溫度-溫差時全停止。
五、修改參數操作說明(在正常情況下無需操作此項)
〔1〕通電後,主程序進入工作狀態,“PV”區顯示實際溫度,“SV”區顯示設定溫度;按“SET”鍵即可修改當前設定溫度,利用“UP”或“DOWN”進行修改,若修改完畢後,按“SET”鍵確認退出(如內置參數中,“SET”鍵設定溫度功能為“LOC”,鎖定則無法修改設定溫度參數數值,此時“PV”區顯示“LOC” )
〔1〕進入內置參數設定,長按“SET”鍵5秒鍾後,“PV”區顯示“LOC”,“SV”區顯示並閃爍“0”,按“UP”輸入正確密碼“38”。此時利用“UP”或“DOWN”滾動查閱當前參數。如須修改參數,按一下“SET”鍵,用“UP”或“DOWN”進行修改完畢後,再按“SET”鍵確認;依次進行下一個參數修改,如須退出內置參數設定,長按“SET”鍵5秒鍾,則可退出並保存參數數值或30秒種內不按任何按鍵,則可自動退出並保存參數數值。
〔1〕若出現故障現象,“PV”區顯示“Err”,“SV”區顯示故障代碼,按一下“RESET”可以消音;故障排除後,再按一下“RESET”鍵複位後恢複正常運行。(注:如出現出水溫度過低故障,須在故障排除後按ON/OFF鍵重新開啟,才能恢複正常運行。)
〔1〕“COMP1”和“COMP2”分別允許壓縮機1、壓縮機2開啟的按鍵;機組允許開啟運行時,“COMP1”和“COMP2”按鍵才有效。ON/OFF為開關鍵。
〔1〕“POWER”:電源指示燈;
“RUN”:機組運行狀態;
“ERROR”:故障指示燈;
“COMP1”:壓縮機1運行狀態;
“COMP2”:壓縮機2運行狀態;
六、參數設置表
|
序號 |
顯示 |
功能內容 |
最低及最高設置範圍 |
出廠設定 |
說明 |
|
1 |
LOC |
進入內置參數密碼 |
0~255 |
0 |
密碼“38” |
|
2 |
SEt |
設置設定溫度功能健是否鎖定 |
ON……LOc |
ON |
ON=不鎖,LOC=鎖定 |
|
3 |
SPH |
鎖定最高溫度設定點 |
SPL……100℃ |
35 |
鎖定上限設置,允許最高設置SPH |
|
4 |
SPL |
鎖定最低溫度設定點 |
-30℃……SPH |
2 |
鎖定下限設置,允許最低設置SPL |
|
5 |
Adj |
主控傳感器溫度偏差校正 |
-10.0℃……10.0℃ |
0 |
正數升高溫度,負數降低溫度 |
|
6 |
S2 |
水溫度過低保護 |
第二控頭-30℃……100℃ |
1℃ |
出水溫度過低保護(溫度<此設定值,報警>) |
|
7 |
T2 |
防凍感溫棒設定 |
y:要 / n:不要 |
y:要 |
選擇 y(要)時,S2有效,防凍探頭有效,相關報警有效;選擇n(不要)時,S2無效,相關報警無效 |
|
8 |
Hy1 |
1號機回差溫度 |
0.1℃……50.0℃ |
2℃ |
1號機回差溫度 |
|
9 |
Hy2 |
2號機回差溫度 |
0.1℃……50.0℃ |
1℃ |
2號機回差溫度 |
|
10 |
Cot |
壓縮機防頻繁啟動延時 |
壓縮機延時0~255秒 |
60 |
壓縮機防頻繁啟動延時 |
|
11 |
PUP |
壓縮機個數 |
1~2 |
2 |
壓縮機個數 |
|
12 |
AL |
故障報警 |
報警方式0~1 |
0 |
報警輸出方式選擇 |
|
13 |
Pon |
上電模式選擇 |
上電模式0~2 |
2 |
來電啟動選擇 |
|
14 |
Ltd |
冷凍泵延時關閉時間 |
冷凍泵啟動延時0~255秒 |
5 |
冷凍水泵延時關機時間 |
|
15 |
Fot |
冷卻泵/風機延時關閉時間 |
冷卻泵風機延時0~255秒 |
5 |
冷卻泵/風機延時關閉時間 |
|
16 |
Fpt |
冷卻泵/風機提前啟動時間 |
冷卻泵風機延時0~255秒 |
5 |
冷卻泵/風機提前啟動時間 |
|
17 |
Cpt |
冷凍泵水流不足延時 備用 |
冷卻泵停止延時0~255秒 |
5 |
冷凍泵水流不足延時 備 用 |
|
18 |
Fnt |
冷卻泵/風機水流不足延時 備 用 |
風機泵延時停止0~255秒 |
5 |
冷卻泵/風機水流不足延時 備 用 |
|
19 |
Jot |
一般故障檢測延時 |
一般故障延時0~255秒 |
5 |
一般故障延時停止 |
|
20 |
Et |
錯相檢測延時 |
錯相延時0~255秒 |
1 |
錯相檢測延時 |
|
21 |
PLt |
機組啟動後延時 |
機組啟動後延時0~255秒 |
5 |
機組啟動後延時檢測水流不足時間設置 |
|
22 |
FAn |
機型選項(ON:水冷,OFF:風冷) |
冷卻泵ON~OFF |
OFF |
機型選項(ON:水冷,OFF:風冷) |
|
23 |
Abc |
電源故障 |
錯相NO~NC |
NO |
機位檢測常開或常閉設置(NC:常閉, NO:常開) |
|
24 |
CPH1 |
1號機高壓 |
1號機高壓NO~NC |
NO |
壓縮機高壓(NC:常閉, NO:常開) |
|
25 |
CPL1 |
1號機低壓 |
1號機低壓NO~NC |
NO |
壓縮機低壓(NC:常閉, NO:常開) |
|
26 |
CO1 |
1號機故障超載 |
1號機超載NO~NC |
NO |
壓縮機超載(NC:常閉, NO:常開) |
|
27 |
CPH2 |
2號機高壓 |
2號機高壓NO~NC |
NO |
2號機高壓(NC:常閉, NO:常開) |
|
28 |
CPL2 |
2號機低壓 |
2號機低壓NO~NC |
NO |
2號機低壓(NC:常閉, NO:常開) |
|
29 |
CO2 |
2號機故障超載 |
2號機超載NO~NC |
NO |
2號機超載(NC:常閉, NO:常開) |
|
30 |
POL |
冷凍水泵水壓過低 |
冷凍水泵水壓過低NO~NC |
NO |
冷凍泵水壓過低(NC:常閉, NO:常開) |
|
31 |
PO |
冷凍泵超載 |
冷凍泵超載NO~NC |
NO |
冷凍泵超載(NC:常閉, NO:常開) |
|
32 |
FL |
冷卻水壓過低 |
冷卻泵水壓過低NO~NC |
NO |
冷卻水壓過低/冷卻風機過熱/線控開關 |
|
33 |
FO |
冷卻泵超載 |
冷卻泵超載NO~NC |
NO |
冷凍水泵超載/冷卻風機超載 |
|
34 |
Lt |
防凍 |
防凍NO~NC |
NO |
防凍開關(NC:常閉, NO:常開) |
|
35 |
」O |
線控 |
線控OFF:NO NC |
OFF |
NC=拔動,NO=點動,OFF=關閉線控 |
七、故障代碼說明
|
故障序號 |
PV顯示 |
SV顯示 |
故障名稱 |
說明 |
|
1 |
Err |
01 |
錯相保護故障 |
三相電源故障(錯相/漏相/逆相) |
|
2 |
Err |
02 |
1號壓縮機高壓 |
停1號壓縮機 |
|
3 |
Err |
03 |
1號壓縮機低壓 |
停1號壓縮機 |
|
4 |
Err |
04 |
1號壓縮機超載 |
停1號壓縮機 |
|
5 |
Err |
05 |
2號壓縮機高壓 |
停2號壓縮機 |
|
6 |
Err |
06 |
2號壓縮機低壓 |
停2號壓縮機 |
|
7 |
Err |
07 |
2號壓縮機超載 |
停2號壓縮機 |
|
8 |
Err |
08 |
冷凍水泵過低 |
冷凍泵水量不足(停機組) |
|
9 |
Err |
09 |
冷凍水泵超載 |
冷凍泵負荷太大(停機組) |
|
10 |
Err |
10 |
冷卻水壓過低(風機過熱) |
冷卻泵水量不足 |
|
11 |
Err |
11 |
冷卻水泵超載(風機超載) |
冷卻泵負荷太大 |
|
12 |
Err |
12 |
冷凍水溫度低於S2所設定的溫度 |
停機組 |
|
13 |
Er1 |
LLL |
出水探頭開路 |
停機組 |
|
14 |
Er1 |
HHH |
出水探頭短路 |
停機組 |
|
15 |
Err |
15 |
防凍故障 |
停機組 |
|
16 |
Er2 |
LLL |
防凍探頭開路 |
停機組 |
|
17 |
Er2 |
HHH |
防凍探頭短路 |
停機組 |
八、操作注意事項
1、冷凍水泵不可在水箱內無水的情況下運轉;(7.5HP以上機型,水箱內裝有水位保護,當水位太低時或水箱內無水時,水泵會自動停止運行,並顯示水位故障代碼及警號。)
2、操作開關請盡量避免連續切換;
3、冷凍水溫度達到設定溫度時,壓縮機會自動停止運行,此屬正常現象;
4、溫度開關應避免設定在5℃以下,防止蒸發器結冰;(低溫冷凍機除外)
5、為確保製冷效果,保持最佳狀態,請定期清洗冷凝器、蒸發器及水過濾器。
注:如出現故障報警請立即關機,按第七項和第十項所列方法排出故障後方可開機。或及時通知維修人員處理。
附注(一):
散熱不良及處理方法
當冷凝器散熱不良時,壓縮機效率低,運轉電流提高,當風冷式高壓壓力升至24kg/cm2 ,水冷式高壓壓力升至20kg/cm2,壓縮機受高壓開關保護跳脫,壓縮機停止運轉,散熱不良高壓超載並顯示故障代碼或故障指示,此時請檢視冷卻塔循環水是否正常,冷卻水溫是否過高,冷卻塔風扇、水泵是否運轉,冷卻水閥門是否完全打開(風冷式請檢查散熱器是否髒堵),以上正常後再按複位按扭(REST)或關機重啟即可正常運轉。如經常出現高壓超載情況,請盡快安排清洗冷凝器。
附注(二)
冷媒不足低壓處理方法:
1、當水溫在5℃以上時,低壓表壓力顯示低於2k g/cm2時,即表示冷媒不足,先將漏冷媒的地方進行補漏處理再更換幹燥過濾器重新抽真空,充適當冷媒。
2、當發現漏冷媒部分浸於水中,請立即停止冷凍機運行,速將水箱內水排除掉,盡快通知公司派人員處理維修,以免壓縮機將水吸入係統中造成更嚴重損壞。
附注(三)
高低壓是否正常
水冷式壓縮機正常運行時高壓壓力顯示12.5~15k g/cm2為最佳,(風冷式14~17k g/cm2為最佳)但不得高於19.5k g/cm2,當水冷式壓力高於19.5kg/cm2,風冷式壓力高於24k g/cm2時,高壓開關跳脫請依附注(一)處理,低壓以3.1~4.5k g/cm2為最佳,但不得低於2k g/cm2,低於2k g/cm2低壓跳脫請依附注(二)處理。
附注(四):
當故障指示燈及保護開關全部正常時,壓縮機不能啟動,請檢查:
1、溫度開關是否調得太高,或損壞;
2、切換開關是否損壞;
3、防凍開關是否損壞;
4、壓力開關是否跳脫或損壞;
5、壓縮機超載保護器是否損壞或跳脫;
6、電磁繼電器線圈是否損壞及超載保護器是否損壞;
7、水箱內是否液位過低;
8、請檢查冷凍水水流量開關是否損壞;
注:以上控製開關或線路有故障即壓縮機就不能運轉。
九、維護與保養
1、定期清洗冷凝器、蒸發器,使整機保持良好運轉;
2、保持冷卻塔清潔幹淨,定期清洗,冷卻塔內不得有雜物及其它障礙物;
3、風冷式冷凍機請保持散熱器表麵清潔幹淨,並定期清洗,使機器保持良好的性能。
十、故障排除方法:
|
狀 態 |
原 因 |
故障排除 |
|
電源正常 |
①保險絲熔斷 ②逆向繼電器故障 |
①更換備用保險絲 ②更換逆向繼電器 |
|
電源開關跳脫 |
①電源負載線路接地或短路 |
①換新處理 ②檢查後,如確定故障,更換或修理 |
|
逆相 |
①泵浦、壓縮機及風扇逆轉 ②缺相 |
①將電源相線中任意兩相調換 |
|
散熱不良 |
①高壓開關跳脫 |
①清潔冷凝器,空氣保持40℃以下,請依照附注〈一〉處理 |
|
冷媒不足 |
①冷媒不足低壓跳脫 |
①依附注﹤二﹥處理 |
|
超載 |
①電壓異常; |
①三相電源壓降或電壓不穩及缺相,請調整電壓及查缺相原因; |
|
故障指示未亮但壓縮機無法運轉 |
保護裝置跳脫 |
請依附注四處理 |
|
冰水槽水不冷 |
①容量不足; |
①加大主機容量; |
|
缺水 |
①水箱內水量不足; |
①往水箱裏加水; |
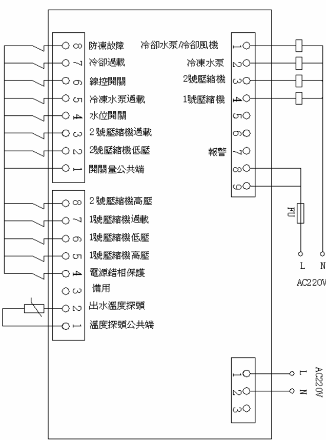
十一、電器連接示意圖

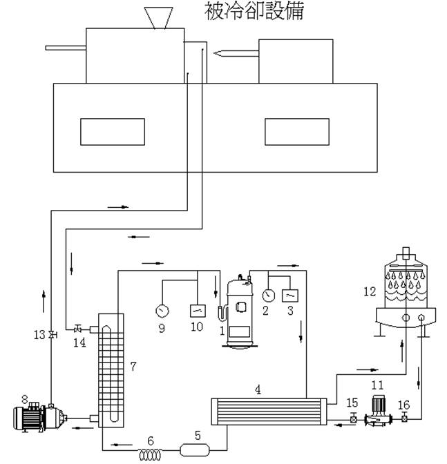
十二、風冷式冷凍機內部結構示圖
|
1.壓縮機 |
7.毛細管(膨脹閥) |
|
2.高壓表 |
8.蒸發器 |
|
3.高壓保護器 |
9.水泵 |
|
4.冷凝器 |
10.低壓表 |
|
5.冷卻風機 |
11.低壓保護器 |
|
6.幹燥過慮器 |
12.水路閥門開關 |
十三、水冷式冷凍機內部結構示意圖
|
1.壓縮機 |
8.冷凍水泵 |
|
2.高壓表 |
9.低壓表 |
|
3.高壓保護器 |
10.低壓保護器 |
|
4.冷凝器 |
11.冷卻水泵 |
|
5.幹燥過慮器 |
12.冷卻水塔 |
|
6.毛細管(膨脹閥) |
13、14、15、16.水路閥門開關 |
|
7.蒸發器 |
|
十四、風冷式大菠萝官网福建2024安裝示意圖
十五、水冷式大菠萝官网福建2024安裝示意圖

